Wenzhou Joepai Valve Co., Ltd.
Wenzhou Joepai Valve Co., Ltd.
Nybörjare

Nybörjare

JOEPAI lanserar nya kostnadseffektiva 304 brandpostventiler i rostfritt stål – överlägsen korrosionsbeständighet uppfyller AS2419.2-standarderna

JOEPAIär stolta över att presentera sin senaste innovation inom brandskyddsinfrastruktur: denNytt utbud avRostfritt stål 304 brandpostventiler. Dessa ventiler är konstruerade för hållbarhet, följsamhet och värde och erbjuder enöverlägset alternativ till traditionella mässingsmodeller— ger förbättrad korrosionsbeständighet till ett mer konkurrenskraftigt pris.

Designad i enlighet medAS/NZS 2419.2:2009, de nya brandpostventilerna är idealiska för ett brett spektrum av applikationer, inklusive kommersiella, industriella och bostadsbrandsystem, särskilt iaggressiva miljöer som marin och gruvdrift.


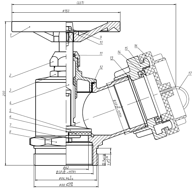
Stainless Steel 304 Fire Hydrant Valves

Produkthöjdpunkter:

Trådtyp: Vinklad 65 mm BSP Forged Storz Adapter med UV-plastlock

Typ av inlopp: 80mm rullspår

Materialklass: Kropp, motorhuv, skiva, mutter i CF8 (SS304); Skaft i SS316 för ökad styrka

Tätningsmaterial: NBR-gummi för pålitlig läckagesäkra prestanda

Ratt: Slitstarkt HT200 gjutjärn

Avsluta: Rödmålad beläggning med hög synlighet

Arbetstryck: 1 400 kPa

Hydrostatiskt testtryck: 2 700 kPa

Lufttäthetstesttryck: 800 kPa

Garanti: 12 månader


Teknisk överensstämmelse:

Designad och testad för attAS2419.2-2009

Smidig handrattsdrift utan att fastna efter montering

100 % inspekterad och testad – inga defekter efter hydrostatiska och lufttäthetstest


Varför välja SS304 framför mässing?

Bättre korrosionsbeständighet: Idealisk för tuffa miljöer där mässing kan brytas ned med tiden

Kostnadseffektiv: Erbjuder en mer prisvärd lösning utan att kompromissa med kvalitet eller prestanda

Lätt men ändå stark: Lättare att hantera och installera med bibehållen strukturell integritet


Andra tillgängliga konfigurationer:

65 mm NSW hane x 80 mm rullräfflade

65 mm CFA hane x 80 mm rullräfflade

65mm QRT hane x 65mm hane BSP

65 mm BI x 80 mm rullräfflade

65 mm QRT hane x 80 mm rullräfflade

65 mm Storz Adapter x 65 mm Hane BSP

Oavsett om du uppgraderar ett befintligt system eller specificerar för ett nytt projekt, erbjuder JOEPAIs nya SS304 brandpostventilerperfekt balans mellan prestanda, efterlevnad och prisvärdhet.

Kontakta oss idagför att lära dig mer eller begära en offert.

Relaterade nyheter
Lämna ett meddelande till mig
X
Vi använder cookies för att ge dig en bättre webbupplevelse, analysera webbplatstrafik och anpassa innehåll. Genom att använda denna sida godkänner du vår användning av cookies. Sekretesspolicy
Avvisa Acceptera