Wenzhou Joepai Valve Co., Ltd.
Wenzhou Joepai Valve Co., Ltd.
Nybörjare

Nybörjare

Varför är vår kostnadseffektiva 3-delade smidda högtryckskulventil i stål ett bra val?

Vad är en 3-delad högtryckskulventil i smidd stål?

A 3-delad högtryckskulventil i smidd stålhänvisar till en höghållfast kulventil med en tredelad kroppsstruktur ansluten med bultar. Dess stängningselement är en exakt bearbetad kula, som roteras runt ventilkroppens mittlinje av ventilskaftet för att uppnå snabb avstängning, distribution eller flödesomkoppling av mediet.


Produktbeskrivning

3-delade kulventiler i smidd stål är enkla att använda, kompakta, tillförlitligt tätade, enkla i strukturen och lätta att underhålla. Tätningsytan och kulan är alltid i ett stängt tillstånd, vilket gör dem mindre känsliga för erosion av mediet. De används ofta i olika branscher.

Ventilkroppen är formad med en smidesprocess, och materialet kan vara rostfritt stål (som F304, F316) eller kolstål (som A105). Smidda stålmaterial har egenskaper som tät struktur, utmärkta mekaniska egenskaper och stark slaghållfasthet, vilket gör dem särskilt lämpliga för högtrycks- och höghållfasta arbetsförhållanden.

Beroende på behoven hos rörledningssystemet kan olika anslutningsmetoder väljas, såsom gängad anslutning (NPT,BSP-P(G),BSPT(Rc)), stumsvetsning(BW), socket weldin(SW)g eller flänsanslutning, vilket erbjuder flexibel installation och stark anpassningsförmåga.

Designtrycket kan nå upp till 1500 LB, vilket gör det lämpligt för högtryckstransportsystem inom områden som petroleum, kemisk industri och naturgas.


3-delad kulventil i smidd stål:

1) Design- och tillverkningsstandarder: BS5351, MSS SP-118

2) Anslutningsändens mått: ANSI B16.10, JB/T1715

Sockets Weld End Dimensions: ANSI B16.11, JB/T1715

Gängade ändmått: ANSI B1.12.1, JB/T7306

Stumsvetsändens mått: ANSI B16.25, JB/T12224

3) Testning och inspektion: API 598

4) Materialstandarder: ANSI/ASTM


3-Piece Forged Steel High-pressure Ball Valve


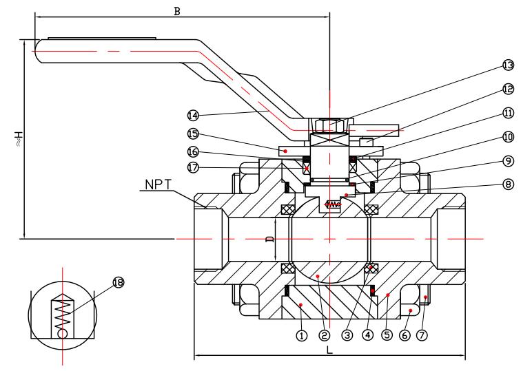
Huvudmaterialtabell:

Inga. Delens namn Kolstål Rostfritt stål
1 Kropp A105 F304 F304L F316 F316L
2 Boll SS304 F304 SS304L SS316 SS316L
3 Plats PTFE, RPTFE
4 Packning SS304/SS316 + Grafit
5 Lock A105 F304 F304L F316 F316L
6 Mutter A194-2H A194-8 A194-8M
7 Bult A193-B7 A193-B8 A193-B8M
8 Stam SS304 F304 SS304L SS316 SS316L
9 Tryckbricka PTFE, RPTFE
10 O-ring Viton
11 Körtel SS304 SS304 SS304 SS316 SS316
12 Bult 1035
13 Mutter Rostfritt stål
14 Hantera WCB, rostfritt stål
15 Begränsad tallrik 1025
16 Förhindra brandring SS304, SS316
17 Förpackning Grafit
18 Fjädra SS304, SS316


Huvuddimensionstabell:

DN mm NPS(tum) L mm D mm H mm
15 1/2" 92 13 66
20 3/4" 112 19 72
25 1” 126 24 100
32 11/4" 129 30 105
40 11/2" 152 38 112
50 2" 176 49 122


3-Piece Forged Steel High-pressure Ball Valve3-Piece Forged Steel High-pressure Ball Valve3-Piece Forged Steel High-pressure Ball Valve3-Piece Forged Steel High-pressure Ball Valve



Professionell tillverkningsgaranti – Wenzhou Joepai Valve Co., Ltd.

Som ett företag specialiserat på forskning, utveckling och tillverkning av kulventiler av rostfritt stål och kolstål,Wenzhou Joepai Valve Co., Ltd.ligger i Binhai Industrial Park i Longwan District, Wenzhou, känd som "Kinas ventilstad." Företaget har en modern produktionsbas och ett omfattande kvalitetskontrollsystem. Företaget är utrustat med:

Professionellt FoU-center och CNC-bearbetningsutrustning

Avancerade testinstrument (som datoranalysinstrument med flera element, Leeb hårdhetstestare och tjockleksmätare)

Trycktestningsmaskiner, livscykeltestmaskiner och andra testplattformar för hela processen

Joepai Valve, som förlitar sig på rigorösa processer och kontinuerlig innovation, säkerställer att varje 3PC högtryckskulventil i smidesstål uppfyller prestandakrav av hög standard, vilket ger kunderna säkra, pålitliga ochhållbara ventillösningar.


Relaterade nyheter
Lämna ett meddelande till mig
X
Vi använder cookies för att ge dig en bättre webbupplevelse, analysera webbplatstrafik och anpassa innehåll. Genom att använda denna sida godkänner du vår användning av cookies. Sekretesspolicy
Avvisa Acceptera